| |
Next: Bus Combiner and Switcher
Up: Mixer Unit
Previous: Audio Input Module
  Contents
The mix module, the central component in the mixer unit, is actually
fairly straightforward. Each module contains four of the Analog
Devices SSM2163 8-to-2 attenuating mixer chips. The eight audio
inputs on each of these chips are connected to the audio input buses,
in a one-to-one fashion. The left output of each of the chips passes
through a resistor and on to one of the output buses. The resistor is
present here because of the reconfigurable mix architecture. The
outputs of several chips are combined (either with the bus
combiner/switcher module, or by the presence of several mix modules in
the unit). The combination is accomplished through the use of a
standard op-amp summing circuit, present on the input stage of the
audio output module.
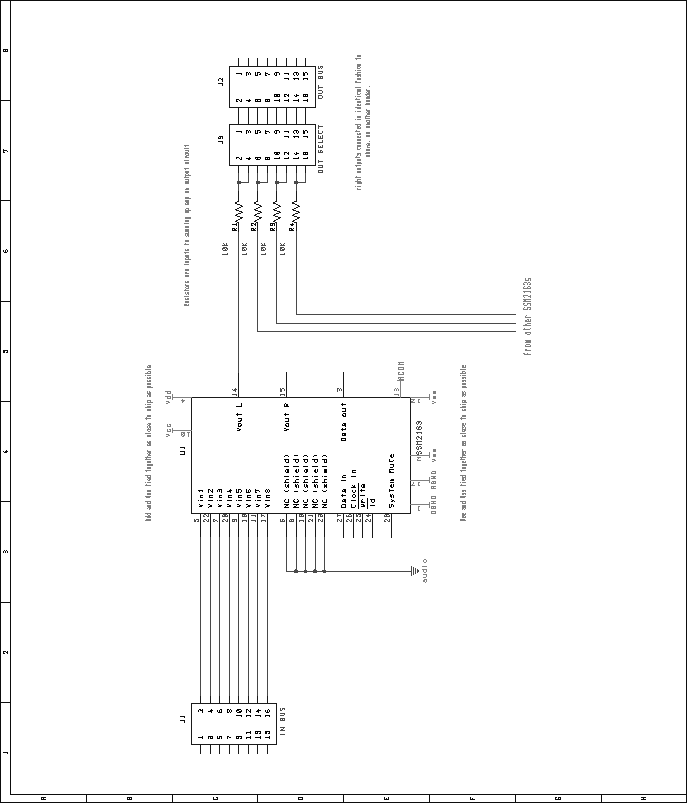
Figure 58 shows 1/4 of the audio connections for an
audio mix module. An entire module is simply this same circuit
repeated four times, with each output connected to a separate output
bus point.
Figure 58:
Audio mix module, analog circuit schematic (1/4 of module).
 |
As in other DACS modules, a standard 16V8 GAL is used for address
decoding. Figure 59 shows the pin assignments for the
GAL. The VHDL code used to
generate the GALs is included in the appendices, on page .
Figure 59:
Audio mix module, address decode GAL.
 |
Such that all mixer chips on a module could be simultaneously, yet
individually programmed, their data and enable inputs are all
connected to a 74LS373. All clock signals are tied together, and
to the Pbus master clock signal through a pair of 74LS04 inverters
(acting as buffers in this case). This means that on any given write
cycle, four mixer chips may be programmed at once, but if the need
arises, a single mixer may be programmed without disturbing the other
chips. Figure 60 shows the digital schematic of the
mixer module.
Figure 60:
Audio mix module, digital circuit schematic (1/4 of module).
 |
Next: Bus Combiner and Switcher
Up: Mixer Unit
Previous: Audio Input Module
  Contents
Steve Richardson
2000-07-06
|
Table of Contents
[Whole document in PDF 1.9MB]
[more photos and information]
|